死亡飞车2000在线观看完整版电影|91原创视频在线观看|成人综合网址|手机成人在线,鬼吹灯精绝古城电视剧免费完整版在线观看,99精品色,恐龙世纪电影完整版在线观看

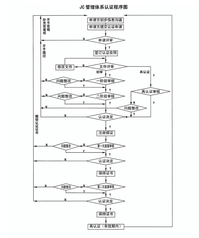
JC管理體系認證程序圖/ Certification Process